Štartovanie a diely na štartovanie na AGZAT VARI

AGZAT                                                  VARI

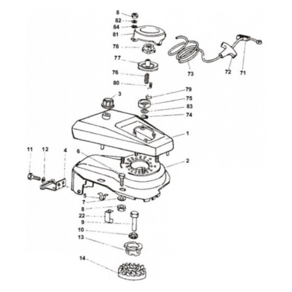
AGZAT startovaci-mechanizmus-2469VARI starter-a-palivova-sustava-2533

Radenie produktov

19 položiek celkom

Výpis produktov

Pružina západky štartéra pre Jikov a Agzat | ajtech.sk

Malá vratná pružina pre západky štartéra. Určená pre motory Jikov 1453, 1447 DV a Agzat PA 100.Alternatívne čísla (OEM): 1340805,...

Kód: MJ1340805 SM
Pružina štartéra brzdná pre Jikov a Agzat | ajtech.sk

Kónická brzdná pružina pod skrutku štartéra. Vhodná pre Jikov 1453, 1447 DV a Agzat PA 100.Alternatívne čísla (OEM): 1340350,...

Kód: MJ1340350 SM
Skrutka štartéra M6 pre Jikov a Agzat | ajtech.sk

Centrálna skrutka štartéra. Univerzálna pre motory Jikov 1453, 1447 DV a Agzat PA 100.Alternatívne čísla (OEM): 1011102, 00825013Určené...

Kód: MJ1011102 SM
Západka štartéra pre Jikov 1453, 1447 a Agzat | ajtech.sk

Plastová západka (palec) pre štartéry motorov Jikov 1453, 1447 DV a Agzat PA 100. Materiál Polyamid.Alternatívne čísla (OEM): 6047405,...

Kód: MJ6047405 SM
Podložka štartéra pre Jikov 1453, 1447 a PA 100 | ajtech.sk

Vymedzovacia podložka 6,4x20 mm pod skrutku štartéra. Pre motory Jikov 1453, 1447 DV a Agzat PA 100.Alternatívne čísla (OEM):...

Kód: MJ6025058 SM
Skriňa štartéra pre VARI TERA | ajtech.sk

Horný kovový kryt (skriňa) kompletného štartéra pre motory VARI a Terra. Chráni mechanizmus navíjania a slúži ako nosný...

Kód: MJ9466805 SM
Miska s pružinou štartovania pre Agzat a Vari | ajtech.sk

Štartovacia miska pre motory Jikov (Agzat, Vari). Súčasť, do ktorej zaberajú západky štartéra pri potiahnutí šnúry.Alternatívne čísla...

Kód: MJ9630302 SM
Rohatka štartéra pre Jikov 1453/1447 a Agzat | ajtech.sk

Kovová rohatka (srdiečko) štartéra. Kompatibilná s motormi Jikov 1453, 1447 DV a Agzat PA 100. Ovláda vysúvanie západiek.Alternatívne...

Kód: MJ6075406 SM
Bubon štartéra pre Jikov 1453, 1447 a PA 100 | ajtech.sk

Univerzálna plastová lanovnica štartéra. Pasuje na motory Jikov 1453 (VARI), 1447 DV (Agzat) aj PA 100.Alternatívne čísla (OEM): 7463401,...

Kód: MJ7463401 SM
Záchyt šnúry pre VARI TERA | ajtech.sk

Plastová alebo kovová priechodka/záchyt, ktorá vedie štartovaciu šnúru zo skrine štartéra. Chráni šnúru pred prederavením o ostré hrany...

Kód: MJ7461309 SM
Štartovacia šnúra 1,3 m pre VARI TERA | ajtech.sk

Vysoko pevná štartovacia šnúra s dĺžkou 1,3 metra. Určená pre štartéry motorov VARI, Terra a Jikov. Odolná voči oderu a...

Kód: MJ9133205 SM
Štartér kompletný pre motor AGZAT PA100 00225000. | ajtech.sk

Reverzný ručný štartér pre dvojtaktné motory PA100. Kompletné "štartovadlo" pripravené na montáž na vrch motora.Alternatívne čísla (OEM):...

Kód: AG00225000 SM
Štartovacia rukoväť pre motor VARI Jikov | ajtech.sk

Ergonomická rukoväť (madlo) štartovacej šnúry. Určená pre motory VARI, Agzat a inú záhradnú techniku. Zabezpečuje pohodlný úchop pri...

Kód: MJ9136501 SM
Obežné koleso ventilátora pre motor VARI Jikov | ajtech.sk

Hliníkové obežné koleso (ventilátor/zotrvačník) pre motory Jikov. Zabezpečuje chladenie motora prúdom vzduchu a zároveň funguje ako...

Kód: MJ7181025 SM
Kryt štartéra zvarený plechový AGZAT 00225001. | ajtech.sk

Plechový zváraný kryt, ktorý tvorí teleso štartovacieho mechanizmu. Chráni vnútorné diely štartéra a slúži na jeho uchytenie k...

Kód: AG00225001 SM
Štartér komplet pre motor VARI Jikov | ajtech.sk

Kompletný reverzný štartér pre motory Jikov (VARI, Terra, Agzat). Pripravený na okamžitú montáž, vrátane skrine, lana a...

Kód: MJ9840821 SM
Pružina štartéra Vari AGZAT na ségerku | ajtech.sk

Drobna pružina používaná v mechanizme štartéra motorov VARI a Agzat. Zaisťuje správnu funkciu brzdného mechanizmu alebo západiek (podľa...

Kód: MJ1342630 SM
Miska štartéra pre Agzat a Vari | ajtech.sk

Náhradná miska štartéra pre motory Agzat a Vari. Slúži na zachytenie vysúvacích západiek pri ručnom štartovaní motora.Alternatívne čísla...

Kód: MJ6072202 SM

Ovládacie prvky výpisu

19 položiek celkom
Autorizovaný predajca
Autorizovaný predajca
30 rokov na trhu
30 rokov na trhu
Dôverujte odborníkom
Spoľahlivý servis
Spoľahlivý servis
Rozvoz tovaru
Rozvoz tovaru
/* ============== TU ZACÍNA VYSKAKOVACIE OKNO =============*/
× Prijímanie žiadostí končí:
Agro technika Chcem sa dozvedieť viac