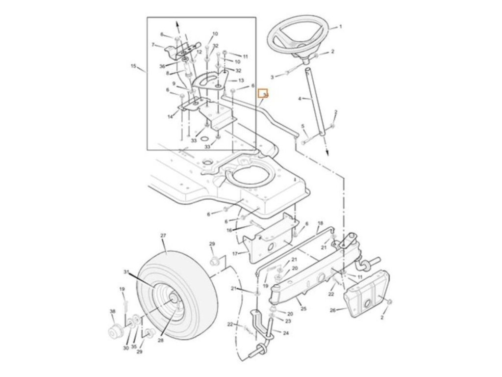
Tyč riadenia MURRAY 091749E701MA
Kód: BR091749E701MA SM
Autorizovaný predajca

30 rokov na trhu
Dôverujte odborníkom

Spoľahlivý servis

Rozvoz tovaru
Podrobný popis
091749E701
091749E700
Dodatočné parametre
| Kategória: | Predná náprava na traktorové kosačky |
|---|---|
| Hmotnosť: | 0.87 kg |
| EAN: | 9000081417 |
| Položka bola vypredaná… | |
