Kompletná mandrela pravá pre Castelgarden XDC140 a Alpina BT84
Kód: 16-11011 GP
Autorizovaný predajca

30 rokov na trhu
Dôverujte odborníkom

Spoľahlivý servis

Rozvoz tovaru
Podrobný popis
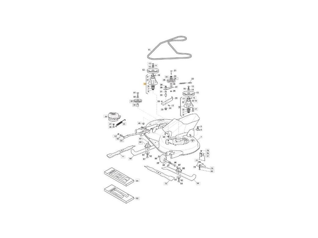
Kompletná mandrela pravá pre Castelgarden XDC140
Kompletná pravá mandrela pre populárne traktory radu XDC a príbuzné modely od Stiga a Alpina. Zabezpečuje uloženie a rotáciu pravého noža. Je dôležité pravidelne kontrolovať stav tohto dielu, pretože priame nárazy do obrubníkov alebo koreňov často poškodia práve pravú stranu kosenia.
Hlavné vlastnosti:
- Vysoká presnosť výroby
- Obsahuje hriadeľ s ľavým závitom (typické pre pravú stranu)
- Dlhá životnosť ložísk
- Alternatívne čísla (OEM): 382207205/0, 382207205/1
- Určené pre:
- Castelgarden (XDC 135, XDC 140, PDC 140)
- Alpina (BT 84, BT 98)
- Stiga (Estate 2084, 3084, 3384)
- Mountfield (1430, 1530)
Technické parametre:
- Dĺžka hriadeľa: 149 mm
- Výška telesa: 99 mm
- Strana montáže: Pravá
- Závit noža: Ľavý
Obsah balenia:
- Kompletná mandrela (domček, hriadeľ, ložiská): 1 ks
Obrázky nemusia zodpovedať skutočnosti.
Tento produkt je kvalitná náhrada za originálny diel za vynikajúcu cenu.
Kontaktné údaje výrobca/dovozca/ splnomocnený zástupca výrobcu v EU
Garden Parts Sp. z o.o., Nowogrodzka 31, 00-511 Warszawa, Polsko
Mail: contact@gardenparts.pl, Tel:+48600512123
Dodatočné parametre
| Kategória: | Ložiskové domčeky a hriadele noža na záhradné traktory |
|---|---|
| Hmotnosť: | 0.4 kg |
| EAN: | 9000122449 |
